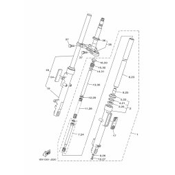
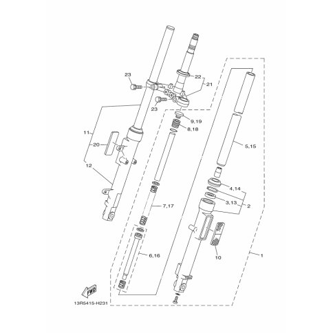
Artikelname: ZYLINDER KOMPL. VORDERRADGA (CYLINDER COMP., FRONT FORK)
Hersteller: Yamaha
OEM Nummer: 5VL-F3170-01 (5VLF317001)
Kategorien: Gabel, Gabel 2
2014
YBR125 (YBR125ED)
2012
YBR125 (YBR125ED)
2011
YBR125 (YBR125ESD)
2010
YBR125 (YBR125ED)
Yamaha Motor Co., Ltd.
YAMAHA MOTOR EUROPE N.V.
Hansemannstraße 12, 41468 Neuss
Postfach 21 06 53, 41432 Neuss
Deutschland
https://global.yamaha-motor.com/
https://www.yamaha-motor.eu/de