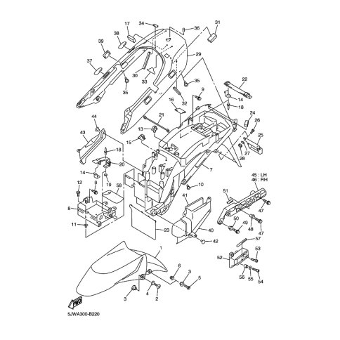
Artikelname: PATCH 4 (PATCH 4)
Hersteller: Yamaha
OEM Nummer: 5VS-21667-00 (5VS2166700)
Kategorien: Kotflugel
2005
FJR1300A (FJR1300A)
FJR1300 (FJR1300)
2004
FJR1300 (FJR1300)
FJR1300A (FJR1300A)
2003
FJR1300A (FJR1300A)
FJR1300 (FJR1300)
Yamaha Motor Co., Ltd.
YAMAHA MOTOR EUROPE N.V.
Hansemannstraße 12, 41468 Neuss
Postfach 21 06 53, 41432 Neuss
Deutschland
https://global.yamaha-motor.com/
https://www.yamaha-motor.eu/de