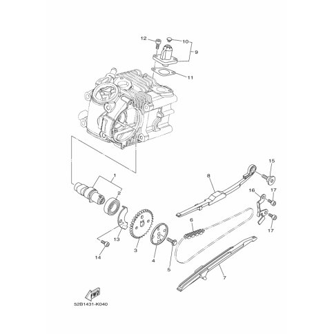
Artikelname: PLATTE (PLATE)
Hersteller: Yamaha
OEM Nummer: 5VV-E111F-00 (5VVE111F00)
Kategorien: Nockenwelle & Kette
2014
D'ELIGHT (XC115S)
Yamaha Motor Co., Ltd.
YAMAHA MOTOR EUROPE N.V.
Hansemannstraße 12, 41468 Neuss
Postfach 21 06 53, 41432 Neuss
Deutschland
https://global.yamaha-motor.com/
https://www.yamaha-motor.eu/de