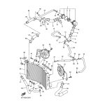
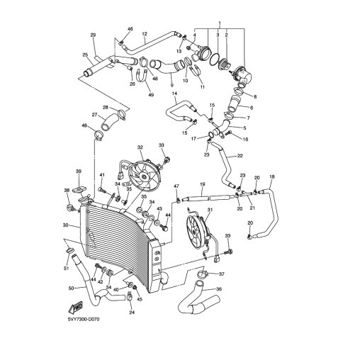
Artikelname: ROHR 3 (PIPE 3)
Hersteller: Yamaha
OEM Nummer: 5VY-12483-01 (5VY1248301)
Kategorien: Kühler & Schlauch
2006
YZF-R1S (YZF-R1S)
YZF-R1 (YZF-R1)
2005
YZF-R1 (YZF-R1)
Yamaha Motor Co., Ltd.
YAMAHA MOTOR EUROPE N.V.
Hansemannstraße 12, 41468 Neuss
Postfach 21 06 53, 41432 Neuss
Deutschland
https://global.yamaha-motor.com/
https://www.yamaha-motor.eu/de