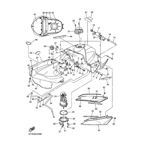
Artikelname: VERKLEIDUNG, OBEN (COVER, TOP)
Hersteller: Yamaha
OEM Nummer: 5VY-2171A-01-P5 (5VY2171A01P5)
Kategorien: Tank
2006
YZF-R1 (YZF-R1)
Yamaha Motor Co., Ltd.
YAMAHA MOTOR EUROPE N.V.
Hansemannstraße 12, 41468 Neuss
Postfach 21 06 53, 41432 Neuss
Deutschland
https://global.yamaha-motor.com/
https://www.yamaha-motor.eu/de