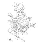
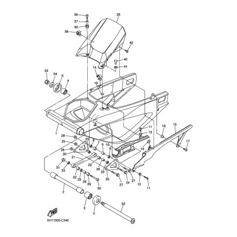
Artikelname: HINTERRADSCHWINGE KOMPL (REAR ARM COMP)
Hersteller: Yamaha
OEM Nummer: 5VY-22110-00 (5VY2211000)
Kategorien: Heck
2005
YZF-R1 (YZF-R1)
2004
YZF-R1 (YZF-R1)
Yamaha Motor Co., Ltd.
YAMAHA MOTOR EUROPE N.V.
Hansemannstraße 12, 41468 Neuss
Postfach 21 06 53, 41432 Neuss
Deutschland
https://global.yamaha-motor.com/
https://www.yamaha-motor.eu/de