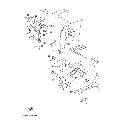
Artikelname: KAROSSERIE, V. OBEN 1 (KAROSSERIE, V. OBEN 1)
Information: UR BL3
Hersteller: Yamaha
OEM Nummer: 5WX-F835G-00-P3 (5WXF835G00P3)
Kategorien: Allgemein
2005
TZR50
Yamaha Motor Co., Ltd.
YAMAHA MOTOR EUROPE N.V.
Hansemannstraße 12, 41468 Neuss
Postfach 21 06 53, 41432 Neuss
Deutschland
https://global.yamaha-motor.com/
https://www.yamaha-motor.eu/de