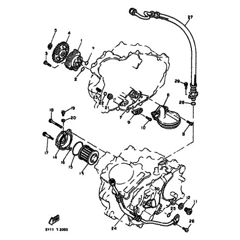
Artikelname: SCHLAUCH, OL 2 (HOSE, OIL 2)
Hersteller: Yamaha
OEM Nummer: 5Y1-13465-00 (5Y11346500)
Kategorien: Allgemein
1982
XT550
Yamaha Motor Co., Ltd.
YAMAHA MOTOR EUROPE N.V.
Hansemannstraße 12, 41468 Neuss
Postfach 21 06 53, 41432 Neuss
Deutschland
https://global.yamaha-motor.com/
https://www.yamaha-motor.eu/de