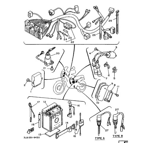
Artikelname: SITZ, BATTERIE
Hersteller: Yamaha
OEM Nummer: 5Y1-82122-01 (5Y1821220100)
Kategorien: ELEKTRIK 1
Yamaha Motor Co., Ltd.
YAMAHA MOTOR EUROPE N.V.
Hansemannstraße 12, 41468 Neuss
Postfach 21 06 53, 41432 Neuss
Deutschland
https://global.yamaha-motor.com/
https://www.yamaha-motor.eu/de