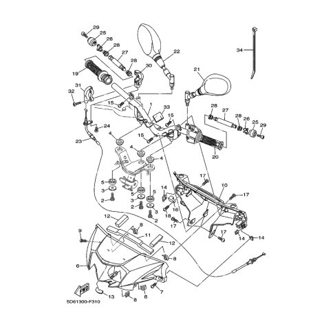
Artikelname: WEIGHT
Hersteller: Yamaha
OEM Nummer: 5YP-F622H-00 (5YPF622H00)
Kategorien: Lenker, Griff & Kabel
2023
XSR125 (MTM125)
2022
MT125 (MTM125-C)
Yamaha Motor Co., Ltd.
YAMAHA MOTOR EUROPE N.V.
Hansemannstraße 12, 41468 Neuss
Postfach 21 06 53, 41432 Neuss
Deutschland
https://global.yamaha-motor.com/
https://www.yamaha-motor.eu/de