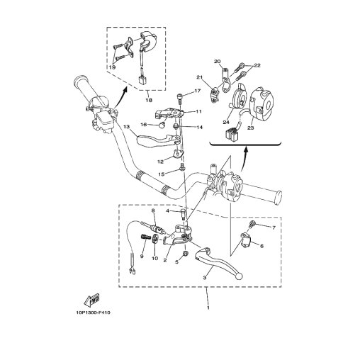
Artikelname: HEBELHALTER KOMPL. 1 (LEVER HOLDER ASSY (LEFT))
Hersteller: Yamaha
OEM Nummer: 5YT-82910-10 (5YT8291010)
Kategorien: Schalter & Hebel
2014
YFM700R (YFM700R)
2013
YFM350R (YFM350)
YFM700R (YFM700R)
YFM350R (YFM350R)
2012
YFM350R (YFM350R)
YFM350R (YFM350)
YFM700R (YFM700R)
2011
YFM700R (YFM700R)
YFM350R (YFM350)
YFM350R (YFM350R)
2010
YFM700R (YFM700R)
YFM350R (YFM350)
YFM350R (YFM350R)
2009
YFM350R (YFM350R)
YFM700R (YFM700R)
YFM350R (YFM350)
2008
YFM350R (YFM350R)
YFM700R (YFM700R)
YFM350R (YFM350)
2007
YFM350R (YFM350R)
Yamaha Motor Co., Ltd.
YAMAHA MOTOR EUROPE N.V.
Hansemannstraße 12, 41468 Neuss
Postfach 21 06 53, 41432 Neuss
Deutschland
https://global.yamaha-motor.com/
https://www.yamaha-motor.eu/de