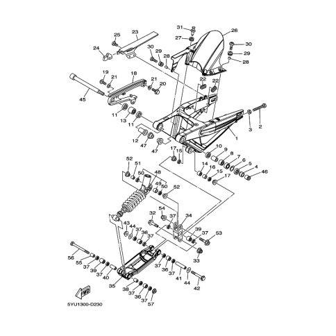
Artikelname: HINTERRADSCHWINGE KOMPL (REAR ARM COMP)
Hersteller: Yamaha
OEM Nummer: 5YU-22110-20 (5YU2211020)
Kategorien: Heck & Federung
2009
MT-01 (MT01)
MT-01S (MT01S)
2007
MT-01 (MT01)
Yamaha Motor Co., Ltd.
YAMAHA MOTOR EUROPE N.V.
Hansemannstraße 12, 41468 Neuss
Postfach 21 06 53, 41432 Neuss
Deutschland
https://global.yamaha-motor.com/
https://www.yamaha-motor.eu/de