Artikelname: INNERES GABELBEINROHR 2 (INNER TUBE COMP.2)
Hersteller: Yamaha
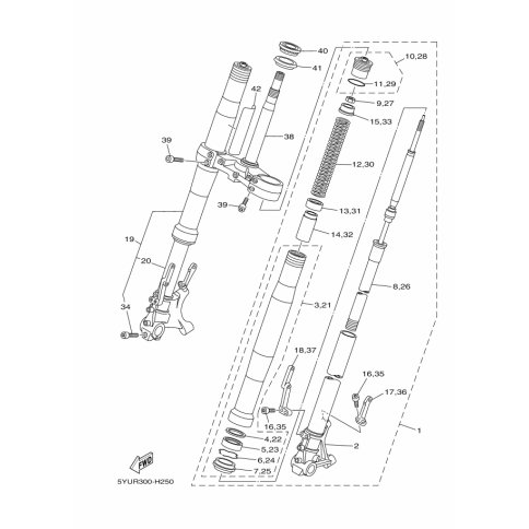
OEM Nummer: 5YU-23120-50 (5YU2312050)
Kategorien: Gabel
2009
MT-01S (MT01S)
Yamaha Motor Co., Ltd.
YAMAHA MOTOR EUROPE N.V.
Hansemannstraße 12, 41468 Neuss
Postfach 21 06 53, 41432 Neuss
Deutschland
https://global.yamaha-motor.com/
https://www.yamaha-motor.eu/de