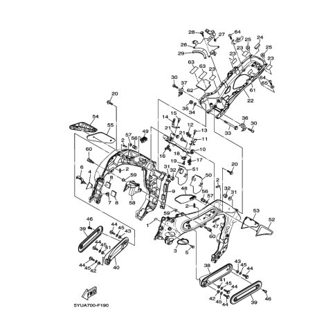
Artikelname: VERKLEIDUNG, INNERES 2 (PANEL, INNER 2)
Hersteller: Yamaha
OEM Nummer: 5YU-2836L-30 (5YU2836L30)
Kategorien: Rahmen 2
2009
MT-01 (MT01)
2008
MT-01 (MT01)
Yamaha Motor Co., Ltd.
YAMAHA MOTOR EUROPE N.V.
Hansemannstraße 12, 41468 Neuss
Postfach 21 06 53, 41432 Neuss
Deutschland
https://global.yamaha-motor.com/
https://www.yamaha-motor.eu/de