Artikelname: MANUAL,OWNERS
Hersteller: Yamaha
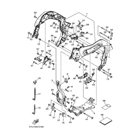
OEM Nummer: 5YU-F8199-S2 (5YUF8199S2)
Kategorien: Rahmen
2007
MT01
Yamaha Motor Co., Ltd.
YAMAHA MOTOR EUROPE N.V.
Hansemannstraße 12, 41468 Neuss
Postfach 21 06 53, 41432 Neuss
Deutschland
https://global.yamaha-motor.com/
https://www.yamaha-motor.eu/de