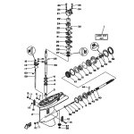
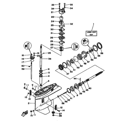
Artikelname: PLUG, DRAIN (BOUCHON DE VIDANGE)
Hersteller: Yamaha
OEM Nummer: 688-45341-00 (6884534100)
Kategorien: Allgemein
2001
LZ150P
115C
80A
L150F
F40B
F115A
Z150Q
FT25B
40V
LZ200N
FT50B
225G
F50A
Z150P
225D
130B
L250A
FL115A
55B
D150H
Z200N
200G
F25A
F30A
70B
50G
F100A
(E)40X
25VM
150A
175D
Z175H
75A
E60H
200F
115B
L200F
F80A
L250B
60F
F40A
150F
50H
85A
100A
250A
VZ200T
250B
Z175G
90A
25B
L130B
2000
F25A
FL115A
FT25B
30G
130B
F115A
40V
70B
LZ200N
150F
115B
50H
L250A
L150F
F50A
LZ150P
L130B
225G
L200F
Z200N
115C
150A
250A
85A
200G
60F
75A
FT50B
Z150P
80A
Z150Q
50G
100A
250B
(E)40X
55B
F80A
F100A
90A
200F
F40B
225D
175D
L250B
1999
F100A
60F
F40A
FT50B
225G
F25A
200G
D150H
130BETO
40VMH
(E)40X
F80A
1998
F25A
50H
75A
40V
E25A
80A
(E)40X
FT50B
115B
70B
F50A
L200F
115C
85A
50GETO
250B
L250B
L130BETO
90A
60F
225D
55B
40VETO
L150F
130BETO
150A
1997
L150F
40VMHD
115B
50H
225D
175F
70B
175D
50HMHD
L250B
60F
E60HM
L130BETO
30G
200F
FT50B
40V
50HEMHDO
F50A
25V
250B
130B
L200F
55B
100A
150G
40VEO
80A
250A
200G
50G
SL250AETO
150F
90A
115C
1996
50H
75A
40VE
L200F
50G
100A
115B
90A
FT50B
50HRDO
130B
225D
30G
80A
250A
200F
F50A
25V
115C
L130BETO
70B
150F
C40T
L250AET
40V
L150F
E60HE
85A
55B
200G
175D
60F
1995
75A
250A
25B
40V
150C
50G
225C
F50A
90A
L130BETO
115B
130B
L225C
60F
50H
85A
115C
C40T
L200BETO
70B
L250A
200B
175B
225B
80A
L150CETO
55B
1994
130B
L150CETO
115C
60F
25QEO
50GEO
L250AET
L225CETO
40H
ProV200
90A
150C
L130BETO
70B
50D
200B
175B
L200BETO
25B
225C
80A
250A
225B
1993
175B
200CETO
200B
L250AET
115C
250AET
L200BETO
225B
85A
90TLRR
25QEO
115B
80A
130B
L130BETO
55B
70B
40H
60F
50D
L150CETO
75A
150C
50GEO
1992
250AETO
70B
80A
115C
150C
200CETO
75A
50D
115B
225B
L130BETO
55B
60F
L200BETO
90A
85AE
L250AETO
130B
200B
40H
L150CETO
25QEO
175B
1991
250AETO
115B
L130BETO
PROV200
70B
175B
L200BETO
50D
225B
75A
80A
L250AETO
25QEO
90A
40H
L150CETO
150C
85AE
130B
200B
60F
1990
55B
70B
40H
250ETD
L150CETO
60F
25Q
50D
85A
L250AETO
130B
115B
115C
70CE
150C
225B
L200ETD
75A
90A
175B
200ETD
80A
1989
80A
115B
140B
150A
L200A
60F
L150A
200AET
175A
50D
225AETO
70B
90A
40H
1988
225AETO
150A
50D
115B
140B
70B
175A
60F
200AET
80A
L150A
L200A
40H
90A
1987
80A
40H
225AETO
70B
150A
90A
60F
115A
50D
140AET0
175A
200AET0
1986
175A
60F
70B
40E
90A
150A
200AET0
50D
80A
220AET
1985
70B
90A
80A
60F
1984
90A
60F
80A
70ETN
Yamaha Motor Co., Ltd.
YAMAHA MOTOR EUROPE N.V.
Hansemannstraße 12, 41468 Neuss
Postfach 21 06 53, 41432 Neuss
Deutschland
https://global.yamaha-motor.com/
https://www.yamaha-motor.eu/de