Artikelname: OM F15C/F20B/F13.5B '07 (MANUAL,OWNER'S)
Information: UR (F)
Hersteller: Yamaha
OEM Nummer: 6AG-28199-71-F0 (6AG2819971F0)
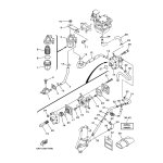
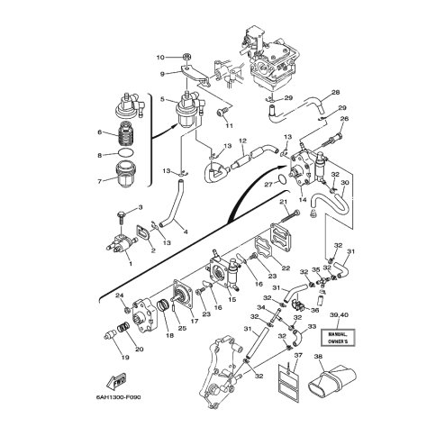
Kategorien: Tank
2007
F20B
F15C
Yamaha Motor Co., Ltd.
YAMAHA MOTOR EUROPE N.V.
Hansemannstraße 12, 41468 Neuss
Postfach 21 06 53, 41432 Neuss
Deutschland
https://global.yamaha-motor.com/
https://www.yamaha-motor.eu/de