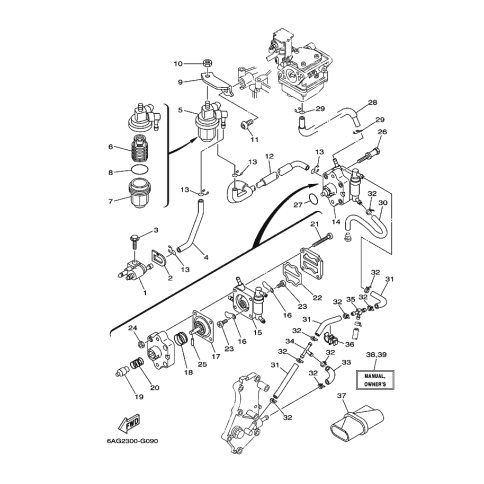
Artikelname: O/M F13.5B/F15C/F20B '08 (MANUAL,OWNER'S)
Information: UR (I)
Hersteller: Yamaha
OEM Nummer: 6AG-28199-72-H0 (6AG2819972H0)
Kategorien: Tank
2008
F20B
F15C
Yamaha Motor Co., Ltd.
YAMAHA MOTOR EUROPE N.V.
Hansemannstraße 12, 41468 Neuss
Postfach 21 06 53, 41432 Neuss
Deutschland
https://global.yamaha-motor.com/
https://www.yamaha-motor.eu/de