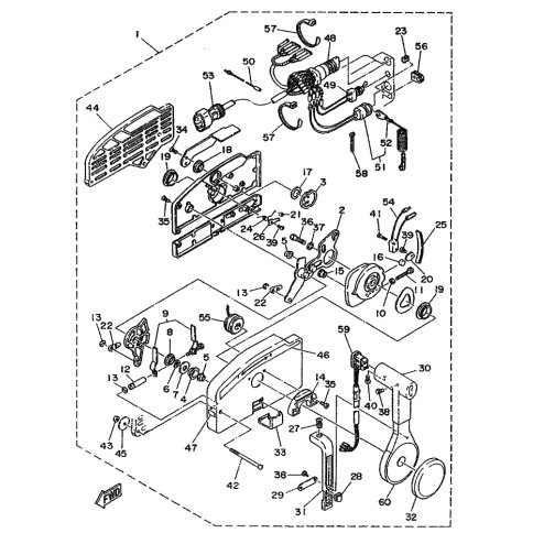
Artikelname: REMOTE CONYTOL ASSY (REMOTE CONTROL ASSY)
Information: UR
Hersteller: Yamaha
OEM Nummer: 703-48208-12 (7034820812)
Kategorien: Allgemein
1993
175B
200B
115C
L200BETO
115B
130B
L130BETO
L150CETO
150C
1992
115C
150C
75A
115B
L130BETO
L200BETO
85AE
130B
200B
L150CETO
175B
1991
115B
L130BETO
175B
L200BETO
75A
80A
90A
L150CETO
150C
85AE
130B
200B
1990
L150CETO
85A
130B
115B
115C
150C
L200ETD
75A
90A
175B
200ETD
80A
1989
80A
115B
140B
150A
L200A
L150A
200AET
175A
225AETO
L140
90A
Yamaha Motor Co., Ltd.
YAMAHA MOTOR EUROPE N.V.
Hansemannstraße 12, 41468 Neuss
Postfach 21 06 53, 41432 Neuss
Deutschland
https://global.yamaha-motor.com/
https://www.yamaha-motor.eu/de