Artikelname: ORNAMENT 2 (ORNAMENT 2)
Hersteller: Yamaha
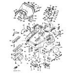
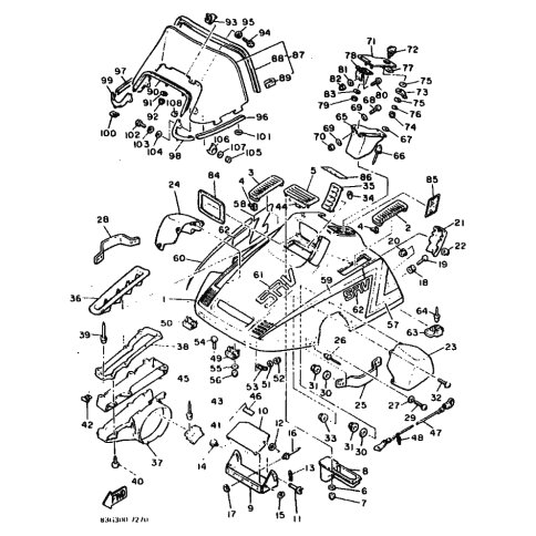
OEM Nummer: 83G-77164-00 (83G7716400)
Kategorien: Allgemein
1988
SR540
1987
SR540L
Yamaha Motor Co., Ltd.
YAMAHA MOTOR EUROPE N.V.
Hansemannstraße 12, 41468 Neuss
Postfach 21 06 53, 41432 Neuss
Deutschland
https://global.yamaha-motor.com/
https://www.yamaha-motor.eu/de