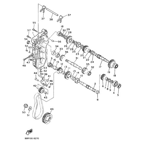
Artikelname: GEAR, REVERSE WHEEL1 (GEAR, REVERSE WHEEL 1)
Hersteller: Yamaha
OEM Nummer: 83R-17243-00 (83R1724300)
Kategorien: Allgemein
2019
VK540V (VK540F)
2005
VK540 III (VK540III)
2004
VK540 III (VK540E-3)
2003
VK540 III (VK540E-3)
1997
VK540 II (VK540E-2)
1996
VK540 II (VK540E-2)
1994
VIKING (VK540E)
1991
VIKING (VK540)
1990
VK540P
VK540VP
1989
VK540N
1988
VK540 (VK540)
Yamaha Motor Co., Ltd.
YAMAHA MOTOR EUROPE N.V.
Hansemannstraße 12, 41468 Neuss
Postfach 21 06 53, 41432 Neuss
Deutschland
https://global.yamaha-motor.com/
https://www.yamaha-motor.eu/de