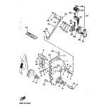
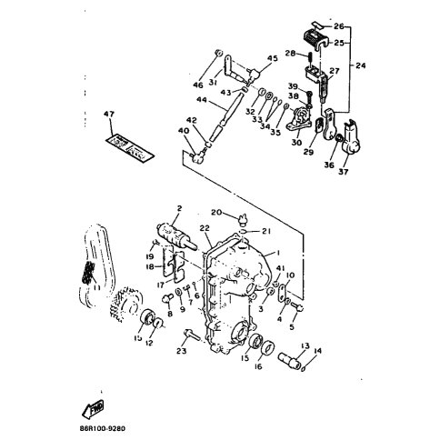
Artikelname: SCHALTNOCKE (CAM, SHIFT)
Hersteller: Yamaha
OEM Nummer: 83R-18541-00 (83R1854100)
Kategorien: Allgemein
1989
VK540N
1988
VK540 (VK540)
Yamaha Motor Co., Ltd.
YAMAHA MOTOR EUROPE N.V.
Hansemannstraße 12, 41468 Neuss
Postfach 21 06 53, 41432 Neuss
Deutschland
https://global.yamaha-motor.com/
https://www.yamaha-motor.eu/de