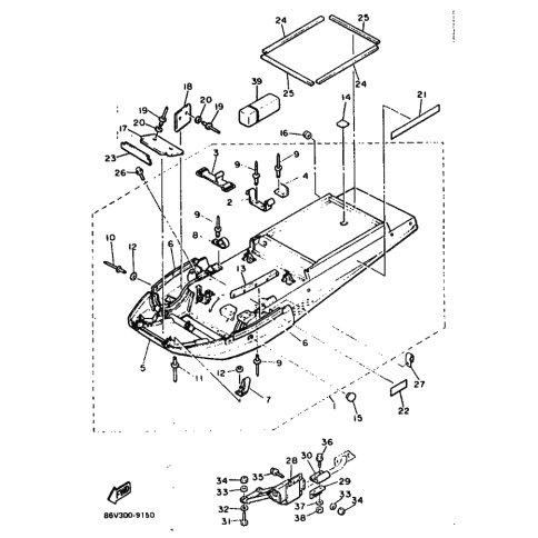
Artikelname: SHIELD, NOISE (SHIELD, NOISE)
Hersteller: Yamaha
OEM Nummer: 83R-2199F-00 (83R2199F00)
Kategorien: Rahmen
1991
VIKING (VK540)
1990
VK540P
VK540VP
1989
VK540N
1988
VK540 (VK540)
Yamaha Motor Co., Ltd.
YAMAHA MOTOR EUROPE N.V.
Hansemannstraße 12, 41468 Neuss
Postfach 21 06 53, 41432 Neuss
Deutschland
https://global.yamaha-motor.com/
https://www.yamaha-motor.eu/de