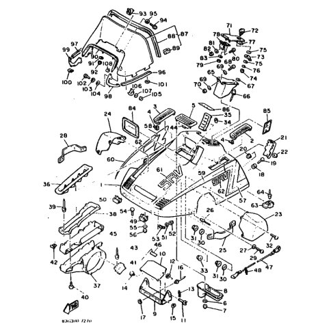
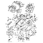
Artikelname: ORNAMENT 4 (ORNAMENT 4)
Hersteller: Yamaha
OEM Nummer: 86P-77113-00 (86P7711300)
Kategorien: Allgemein
1990
SR540P
1989
SR540N
Yamaha Motor Co., Ltd.
YAMAHA MOTOR EUROPE N.V.
Hansemannstraße 12, 41468 Neuss
Postfach 21 06 53, 41432 Neuss
Deutschland
https://global.yamaha-motor.com/
https://www.yamaha-motor.eu/de