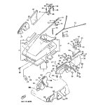
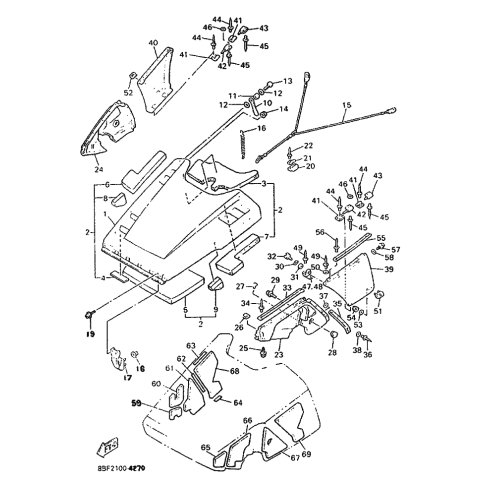
Artikelname: LINING, SHROUD 6 (LINING, SHROUD 6)
Hersteller: Yamaha
OEM Nummer: 87F-77266-01 (87F7726601)
Kategorien: Allgemein
1997
VENTURE TF (VT480TF)
VENTURE TR (VT480TR)
1996
VENTURE (VT480TR)
VENTURE (VT480TF)
1995
PHAZER II (PZ480)
VENTURE 480TF (VT480TF)
VT480TF
PHAZER II ST (PZ480ST)
PHAZER II E (PZ480E)
1994
PHAZER II ST (PZ480ST)
1993
VENTURE 480 (VT480)
1991
PZ480STR
1990
PZ480EP
PX480P
Yamaha Motor Co., Ltd.
YAMAHA MOTOR EUROPE N.V.
Hansemannstraße 12, 41468 Neuss
Postfach 21 06 53, 41432 Neuss
Deutschland
https://global.yamaha-motor.com/
https://www.yamaha-motor.eu/de