Artikelname: PATCH 5 (PATCH 5)
Hersteller: Yamaha
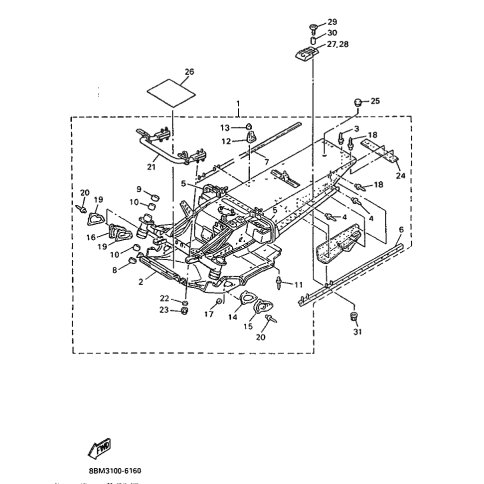
OEM Nummer: 88K-21965-00 (88K2196500)
Kategorien: Rahmen
1997
VENTURE TF (VT480TF)
1996
VENTURE (VT480TF)
1995
VENTURE 480TF (VT480TF)
VT480TF
Yamaha Motor Co., Ltd.
YAMAHA MOTOR EUROPE N.V.
Hansemannstraße 12, 41468 Neuss
Postfach 21 06 53, 41432 Neuss
Deutschland
https://global.yamaha-motor.com/
https://www.yamaha-motor.eu/de