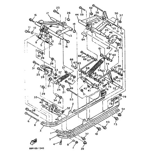
Artikelname: SHAFT 2 (SHAFT 2)
Hersteller: Yamaha
OEM Nummer: 88R-47475-00 (88R4747500)
Kategorien: Allgemein
1991
EX570
Yamaha Motor Co., Ltd.
YAMAHA MOTOR EUROPE N.V.
Hansemannstraße 12, 41468 Neuss
Postfach 21 06 53, 41432 Neuss
Deutschland
https://global.yamaha-motor.com/
https://www.yamaha-motor.eu/de