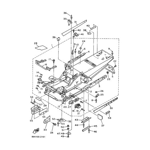
Artikelname: SHIELD, HEAT (SHIELD, HEAT)
Hersteller: Yamaha
OEM Nummer: 89A-2199H-00 (89A2199H00)
Kategorien: Rahmen
1992
VMAX 4 (VX750)
Yamaha Motor Co., Ltd.
YAMAHA MOTOR EUROPE N.V.
Hansemannstraße 12, 41468 Neuss
Postfach 21 06 53, 41432 Neuss
Deutschland
https://global.yamaha-motor.com/
https://www.yamaha-motor.eu/de