Artikelname: PROTECTOR 6 (PROTECTOR 6)
Hersteller: Yamaha
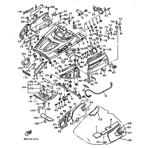
OEM Nummer: 89A-77556-00 (89A7755600)
Kategorien: Allgemein
1997
MOUNTAIN MAX 800 (VX800ST)
VMAX-4 800 (VX800)
1996
VMAX 800ST (VX800ST)
VMAX 800 (VX800)
1995
VMAX 4 (VX800)
VMAX 4 ST (VX800ST)
1994
VMAX 4 (VX750)
1993
VMAX 4 (VX750)
1992
VMAX 4 (VX750)
Yamaha Motor Co., Ltd.
YAMAHA MOTOR EUROPE N.V.
Hansemannstraße 12, 41468 Neuss
Postfach 21 06 53, 41432 Neuss
Deutschland
https://global.yamaha-motor.com/
https://www.yamaha-motor.eu/de