Artikelname: SHIELD, HEAT (SHIELD, HEAT)
Hersteller: Yamaha
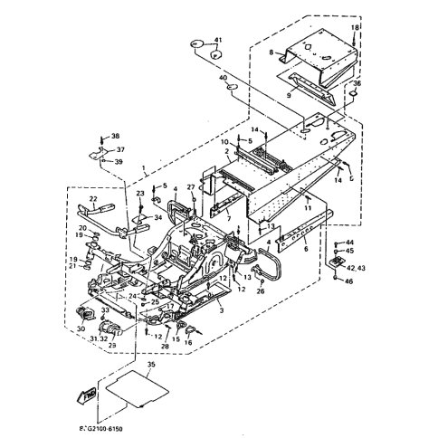
OEM Nummer: 8AB-2199H-00 (8AB2199H00)
Kategorien: Rahmen
1996
VMAX 600DX (VX600DX)
VMAX 500XT (VX500XT)
VMAX 500 ST (VX500ST)
VMAX 600DX (VX600XT)
VMAX 500 (VX500)
VMAX 500DX (VX500DX)
1995
VMAX 600 (VX600)
VMAX 600 ST (VX600ST)
VX600ST
VX600
VX500ST
1994
VX600ST
VX600
VX500ST
VX500
Yamaha Motor Co., Ltd.
YAMAHA MOTOR EUROPE N.V.
Hansemannstraße 12, 41468 Neuss
Postfach 21 06 53, 41432 Neuss
Deutschland
https://global.yamaha-motor.com/
https://www.yamaha-motor.eu/de