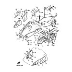
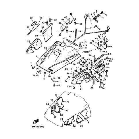
Artikelname: EMBLEM 6 (EMBLEM 6)
Hersteller: Yamaha
OEM Nummer: 8AN-77356-00 (8AN7735600)
Kategorien: Allgemein
1993
VENTURE 480 (VT480)
Yamaha Motor Co., Ltd.
YAMAHA MOTOR EUROPE N.V.
Hansemannstraße 12, 41468 Neuss
Postfach 21 06 53, 41432 Neuss
Deutschland
https://global.yamaha-motor.com/
https://www.yamaha-motor.eu/de