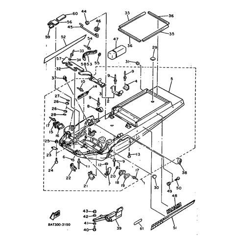
Artikelname: FRAME COMP (FRAME COMP)
Hersteller: Yamaha
OEM Nummer: 8AT-21910-00 (8AT2191000)
Kategorien: Rahmen
1994
VIKING (VK540E)
Yamaha Motor Co., Ltd.
YAMAHA MOTOR EUROPE N.V.
Hansemannstraße 12, 41468 Neuss
Postfach 21 06 53, 41432 Neuss
Deutschland
https://global.yamaha-motor.com/
https://www.yamaha-motor.eu/de