Artikelname: SCHEIBE (WASHER)
Hersteller: Yamaha
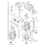
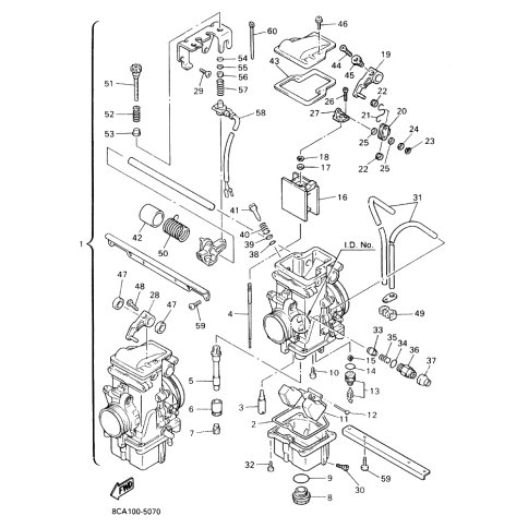
OEM Nummer: 8AY-14227-00 (8AY1422700)
Kategorien: Vergaser
1996
VMAX 500XT (VX500XT)
VMAX 500 ST (VX500ST)
VMAX 500 (VX500)
VMAX 500DX (VX500DX)
1995
VMAX 600 (VX600)
VMAX 600 ST (VX600ST)
VX600ST
VX600
VX500ST
1994
VX600ST
VX600
VX500ST
VX500
1993
EXCITER II SX (EX570SX)
Yamaha Motor Co., Ltd.
YAMAHA MOTOR EUROPE N.V.
Hansemannstraße 12, 41468 Neuss
Postfach 21 06 53, 41432 Neuss
Deutschland
https://global.yamaha-motor.com/
https://www.yamaha-motor.eu/de