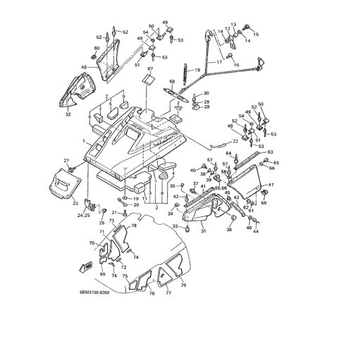
Artikelname: HOOD 4 (HOOD 4)
Hersteller: Yamaha
OEM Nummer: 8BK-2198H-10 (8BK2198H10)
Kategorien: Allgemein
1997
VENTURE TF (VT480TF)
VENTURE TR (VT480TR)
Yamaha Motor Co., Ltd.
YAMAHA MOTOR EUROPE N.V.
Hansemannstraße 12, 41468 Neuss
Postfach 21 06 53, 41432 Neuss
Deutschland
https://global.yamaha-motor.com/
https://www.yamaha-motor.eu/de