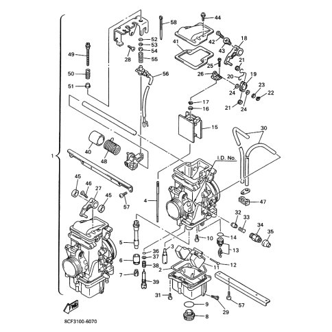
Artikelname: NADEL (NEEDLE)
Hersteller: Yamaha
OEM Nummer: 8CA-14116-A0 (8CA14116A0)
Kategorien: Vergaser
1996
VMAX 600DX (VX600DX)
VMAX 600DX (VX600XT)
Yamaha Motor Co., Ltd.
YAMAHA MOTOR EUROPE N.V.
Hansemannstraße 12, 41468 Neuss
Postfach 21 06 53, 41432 Neuss
Deutschland
https://global.yamaha-motor.com/
https://www.yamaha-motor.eu/de