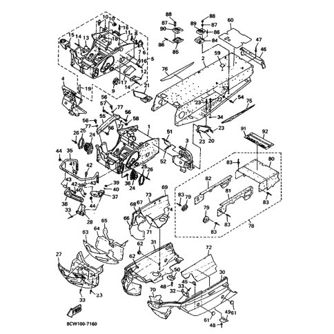
Artikelname: PANEL SUB FRAME (PANEL, SUB-FRAME KIT)
Hersteller: Yamaha
OEM Nummer: 8CW-W2196-00 (8CWW219600)
Kategorien: Rahmen
1997
VENTURE 500 (VT500)
VENTURE 600 (VT600)
MOUNTAIN MAX 700 (VX700LT)
MOUNTAIN MAX 600 (VX600LT)
Yamaha Motor Co., Ltd.
YAMAHA MOTOR EUROPE N.V.
Hansemannstraße 12, 41468 Neuss
Postfach 21 06 53, 41432 Neuss
Deutschland
https://global.yamaha-motor.com/
https://www.yamaha-motor.eu/de