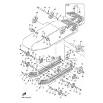
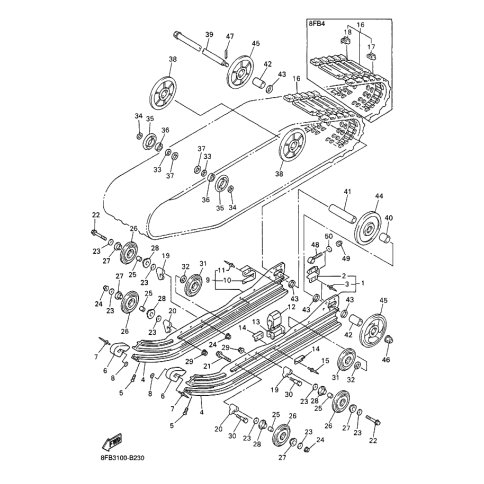
Artikelname: METAL, SLIDE (METAL, SLIDE)
Hersteller: Yamaha
OEM Nummer: 8EA-47115-30 (8EA4711530)
Kategorien: Allgemein
2003
SXViper ER (SXV70ER)
VT500XL
VENTURE 600 (VT600)
VENTURE 700 (VT700)
Yamaha Motor Co., Ltd.
YAMAHA MOTOR EUROPE N.V.
Hansemannstraße 12, 41468 Neuss
Postfach 21 06 53, 41432 Neuss
Deutschland
https://global.yamaha-motor.com/
https://www.yamaha-motor.eu/de