Artikelname: RUNNER 1
Hersteller: Yamaha
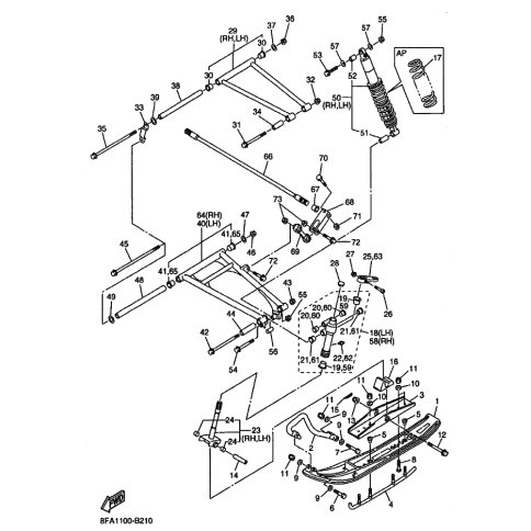
OEM Nummer: 8EN-23731-00 (8EN237310000)
Kategorien: Ski, Alternative
2006
RX-1 Mountain (RX10M)
2005
VK540 III (VK540III)
RSVenture (RS10VT)
RSVenture TF (RSV10)
2004
RX-1 ER (RX10R)
RXWarrior (RX10)
2003
RX-1 Mountain (RX10M)
RX-1 ER (RX10R)
SXViper Mountain (SXV700)
Yamaha Motor Co., Ltd.
YAMAHA MOTOR EUROPE N.V.
Hansemannstraße 12, 41468 Neuss
Postfach 21 06 53, 41432 Neuss
Deutschland
https://global.yamaha-motor.com/
https://www.yamaha-motor.eu/de