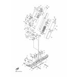
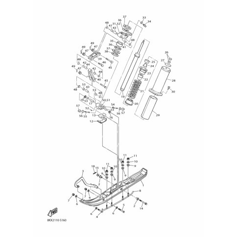
Artikelname: RUNNER 1
Hersteller: Yamaha
OEM Nummer: 8EN-23731-01 (8EN237310100)
Kategorien: Ski
2019
VK540V (VK540F)
Yamaha Motor Co., Ltd.
YAMAHA MOTOR EUROPE N.V.
Hansemannstraße 12, 41468 Neuss
Postfach 21 06 53, 41432 Neuss
Deutschland
https://global.yamaha-motor.com/
https://www.yamaha-motor.eu/de