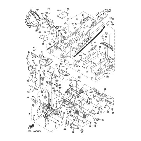
Artikelname: PROTECTOR, MUFFLER
Hersteller: Yamaha
OEM Nummer: 8FA-2194H-01 (8FA2194H0100)
Kategorien: Rahmen
2006
RX-1 Mountain (RX10M)
2004
RXWarrior (RX10)
Yamaha Motor Co., Ltd.
YAMAHA MOTOR EUROPE N.V.
Hansemannstraße 12, 41468 Neuss
Postfach 21 06 53, 41432 Neuss
Deutschland
https://global.yamaha-motor.com/
https://www.yamaha-motor.eu/de