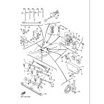
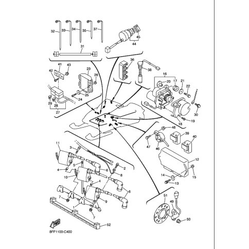
Artikelname: KABELBAUM KOMPL (WIRE HARNESS ASSY)
Hersteller: Yamaha
OEM Nummer: 8FF-82590-00 (8FF8259000)
Kategorien: Elektrik 1
2004
VENTURE (SXV70VT)
Yamaha Motor Co., Ltd.
YAMAHA MOTOR EUROPE N.V.
Hansemannstraße 12, 41468 Neuss
Postfach 21 06 53, 41432 Neuss
Deutschland
https://global.yamaha-motor.com/
https://www.yamaha-motor.eu/de