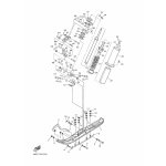
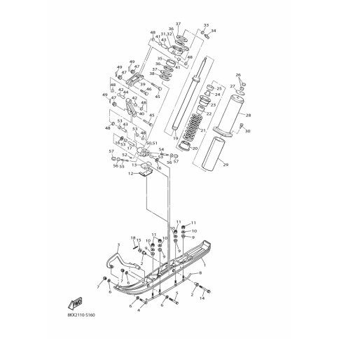
Artikelname: DAMPFUNGSEINHEIT (DAMPER SUB ASSY)
Hersteller: Yamaha
OEM Nummer: 8KA-22401-00 (8KA2240100)
Kategorien: Allgemein
2019
VK540V (VK540F)
Yamaha Motor Co., Ltd.
YAMAHA MOTOR EUROPE N.V.
Hansemannstraße 12, 41468 Neuss
Postfach 21 06 53, 41432 Neuss
Deutschland
https://global.yamaha-motor.com/
https://www.yamaha-motor.eu/de