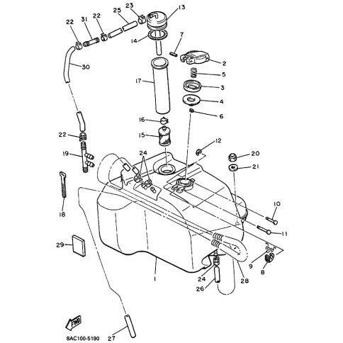
Artikelname: SPACER (SPACER)
Hersteller: Yamaha
OEM Nummer: 8V0-23858-00 (8V02385800)
Kategorien: Tank, Allgemein
2019
VK540V (VK540F)
VK PROFESSIONAL II EPS (VK10G)
2005
VK540 III (VK540III)
2004
VK540 III (VK540E-3)
2003
VK540 III (VK540E-3)
1997
VK540 II (VK540E-2)
VENTURE TF (VT480TF)
ENTICER II (ET410TR)
VENTURE TR (VT480TR)
1996
VK540 II (VK540E-2)
ENTICER II (ET410TR)
VENTURE (VT480TR)
VENTURE (VT480TF)
1995
PHAZER II (PZ480)
PHAZER II ST (PZ480ST)
VENTURE 480TF (VT480TF)
VT480TF
PHAZER II E (PZ480E)
1994
VIKING (VK540E)
PHAZER II ST (PZ480ST)
1993
VENTURE 480 (VT480)
ENTICER II (ET410TR)
EXCITER II SX (EX570SX)
1992
EX570
EXCITER II E (EX570E)
1991
EX570
OVATION (CS340E)
VIKING (VK540)
PZ480STR
1990
EXCITER II (EX570P)
PZ480EP
PX480P
VK540P
EX570H
CS340P
VK540VP
1989
VK540N
EX570
1988
EX570
PZ480
PZ480E
VK540 (VK540)
CS340N
1987
PZ480L
EX570
Yamaha Motor Co., Ltd.
YAMAHA MOTOR EUROPE N.V.
Hansemannstraße 12, 41468 Neuss
Postfach 21 06 53, 41432 Neuss
Deutschland
https://global.yamaha-motor.com/
https://www.yamaha-motor.eu/de