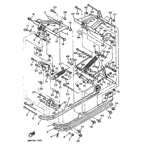
Artikelname: SCHRAUBE (BOLT)
Hersteller: Yamaha
OEM Nummer: 90101-10560 (9010110560)
Kategorien: Allgemein
1991
EX570
1990
SR540P
1989
SR540N
1988
SR540
1987
SR540L
Yamaha Motor Co., Ltd.
YAMAHA MOTOR EUROPE N.V.
Hansemannstraße 12, 41468 Neuss
Postfach 21 06 53, 41432 Neuss
Deutschland
https://global.yamaha-motor.com/
https://www.yamaha-motor.eu/de