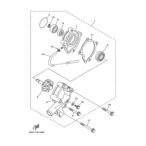
Artikelname: SCHRAUBE, MIT SCHEIBE (BOLT, FLANGE)
Hersteller: Yamaha
OEM Nummer: 90105-06023 (9010506023)
Kategorien: Wasserpumpe
2008
GRIZZLY 660 (YFM660FWA)
2007
GRIZZLY 660 (YFM660FWA)
RHINO 660 (YXR660F)
2006
RHINO 660 (YXR660F)
GRIZZLY 660 (YFM660FWA)
2005
GRIZZLY 660 (YFM660FWA)
GRIZZLY 660 HUNTER (YFM660FWA)
RHINO 660 (YXR660F)
2004
GRIZZLY 660 (YFM660FWA)
GRIZZLY LIMITED (YFM660FWA)
RHINO 660 (YXR660F)
2003
GRIZZLY LIMITED (YFM660FWA)
GRIZZLY 660 (YFM660FWA)
2002
GRIZZLY 660 (YFM660FWA)
Yamaha Motor Co., Ltd.
YAMAHA MOTOR EUROPE N.V.
Hansemannstraße 12, 41468 Neuss
Postfach 21 06 53, 41432 Neuss
Deutschland
https://global.yamaha-motor.com/
https://www.yamaha-motor.eu/de