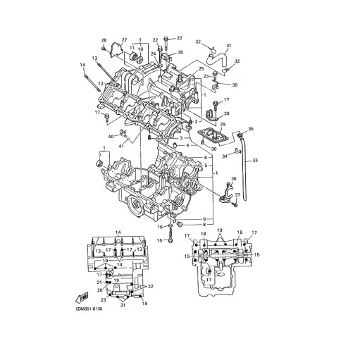
Artikelname: SCHRAUBE, MIT SCHEIBE (BOLT, FLANGE)
Hersteller: Yamaha
OEM Nummer: 90105-065A3 (90105065A3)
Kategorien: Kurbelgehäuse
2000
FAZER 600 (FZS600SP)
FAZER 600 (FZS600)
1999
FAZER 600 (FZS600)
1998
FAZER 600 (FZS600)
Yamaha Motor Co., Ltd.
YAMAHA MOTOR EUROPE N.V.
Hansemannstraße 12, 41468 Neuss
Postfach 21 06 53, 41432 Neuss
Deutschland
https://global.yamaha-motor.com/
https://www.yamaha-motor.eu/de