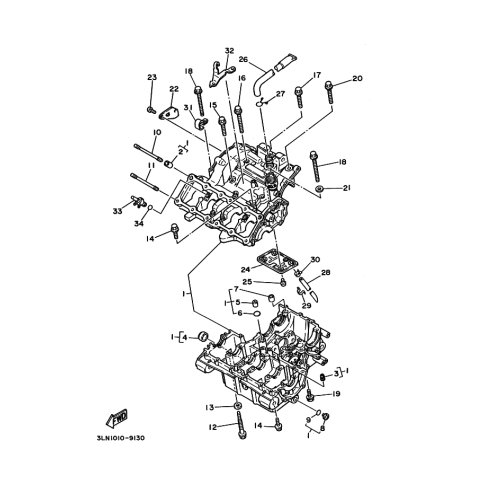
Artikelname: SCHRAUBE, MIT SCHEIBE (BOLT, FLANGE)
Hersteller: Yamaha
OEM Nummer: 90105-07618 (9010507618)
Kategorien: Kurbelgehäuse
1994
FZR250R
1993
FZR250R
1991
FZR250R
1990
FZR250R
Yamaha Motor Co., Ltd.
YAMAHA MOTOR EUROPE N.V.
Hansemannstraße 12, 41468 Neuss
Postfach 21 06 53, 41432 Neuss
Deutschland
https://global.yamaha-motor.com/
https://www.yamaha-motor.eu/de