Artikelname: SCHRAUBE, MIT SCHEIBE (BOLT, WASHER BASED)
Hersteller: Yamaha
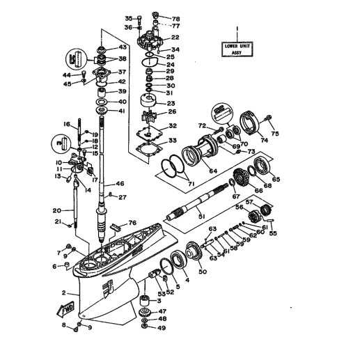
OEM Nummer: 90105-08M48 (9010508M48)
Kategorien: Allgemein
2006
L250A
250A
2005
250A
L250A
2004
250A
L250A
2003
L250B
250A
L250A
225F
250B
225G
2002
225G
250B
L250A
L250B
2001
225G
L250A
L250B
250A
250B
2000
L250A
225G
250A
250B
L250B
1999
225G
1998
250B
L250B
1997
L250B
250B
250A
SL250AETO
1996
250A
L250AET
1995
250A
225C
L225C
L250A
1994
L250AET
L225CETO
225C
250A
1993
L250AET
250AET
1992
250AETO
L250AETO
1991
250AETO
L250AETO
1990
250ETD
L250AETO
Yamaha Motor Co., Ltd.
YAMAHA MOTOR EUROPE N.V.
Hansemannstraße 12, 41468 Neuss
Postfach 21 06 53, 41432 Neuss
Deutschland
https://global.yamaha-motor.com/
https://www.yamaha-motor.eu/de