Artikelname: SCHRAUBE, MIT SCHEIBE (BOLT, FLANGE)
Hersteller: Yamaha
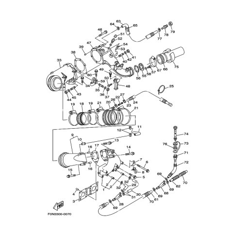
OEM Nummer: 90105-08M84 (9010508M84)
Kategorien: Allgemein
2005
GP800R (GP800A)
2004
JET FOR F1F
GP800R (GP800A-C)
XLT800 (XA800A-C)
2003
JET FOR F1F
XLT800 (XA800A-B)
GP800R (GP800A-B)
2002
XLT800 (XA800A-A)
JET FOR F1F
GP800R (GP800A-A)
2001
XL800 (WAVERUNNER X)
GP800R (GP800A-Z)
JET FOR XA800
2000
TZ800 (WB800Y)
JET FOR XA800
JET FOT GP800Y
JET FOR WB800
XL800 (XA800Y)
GP800 (GP800Y)
1999
WB800X
GP800 (GP800X)
GP800X
JET FOT GP800Y
JET FOR WB800
1998
800GP
GP800W
GP800 (GP800W)
Yamaha Motor Co., Ltd.
YAMAHA MOTOR EUROPE N.V.
Hansemannstraße 12, 41468 Neuss
Postfach 21 06 53, 41432 Neuss
Deutschland
https://global.yamaha-motor.com/
https://www.yamaha-motor.eu/de