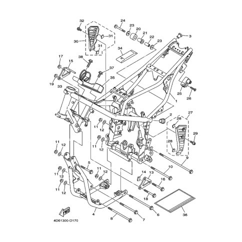
Artikelname: SCHRAUBE, MIT SCHEIBE (BOLT, FLANGE)
Hersteller: Yamaha
OEM Nummer: 90105-10116 (9010510116)
Kategorien: Rahmen
2005
TRICKER (XG250)
Yamaha Motor Co., Ltd.
YAMAHA MOTOR EUROPE N.V.
Hansemannstraße 12, 41468 Neuss
Postfach 21 06 53, 41432 Neuss
Deutschland
https://global.yamaha-motor.com/
https://www.yamaha-motor.eu/de